Takaisin
Väliventtiilit

Paineesta suuntaa vaihtava venttiili

Tulosta esite
Tuoteryhmissä:

Tiedot tiivistettynä

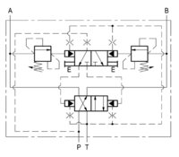
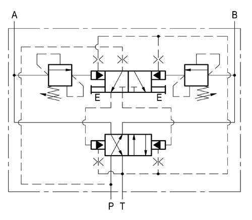
4/2-suuntaventtiili, joka vaihtaa asentoa kun paine saavuttaa säädetyn arvon. Venttiilillä saadaan aikaan esim. sylinterin jatkuva edestakainen liike.
  • Oletuksena venttiili säädetty 200bar, säätöalue 50-210bar.
  • Ns. lantakoneventtiili / lantakoneen suunnan vaihto venttiili
  • Luotettavan toiminnan takaamiseksi tarvitaan vähintään 4l/min virtaus.
  • Näihin sopii pultit
  • Cetop 3 M5x65mm
  • Cetop 5 M6x65mm
Koodi Max. työpainen (bar) Max. virtaus (l/min) Nimelliskoko (mm) Standardi Pakkauskoko (kpl)
DVAS06-20 210 30 6 Cetop 3 1
DVAS10-20 210 80 10 Cetop 5 1

Paineesta suuntaa vaihtava venttiili

Tulosta esite

Takaisin