Takaisin
Säiliötarvikkeet

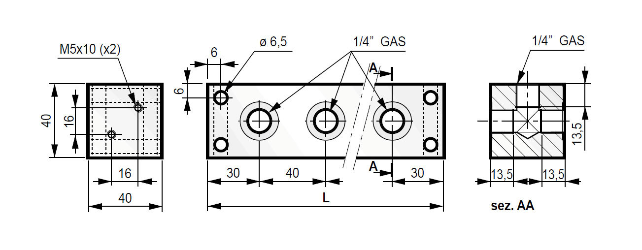
HJKT - Hydrauliikan kokoajatukki

Tulosta esite
Tuoteryhmissä:

Tiedot tiivistettynä

Alumiininen korkeapaineveden tai hydrauliikan kokooja tukki.

  • Työpaine max 250bar
  • Vierekkäisiä portteja ei ole porattu yhteen pituussuunnassa, T-porauksella
  • Kiinnitysruuvit molempiin mahdollistavat asennuksen moneen suuntaan
  • L-Mitta on jakotukin äärimitta
  • Materiaali 11S UNI EN AW-2011
Koodi Kierre (BSP) L (mm) Pakkauskoko (kpl)
HJKT-4X04 1/4" 180 1
HJKT-5X04 1/4" 220 1

HJKT - Hydrauliikan kokoajatukki

Tulosta esite

Takaisin