Tiedot tiivistettynä
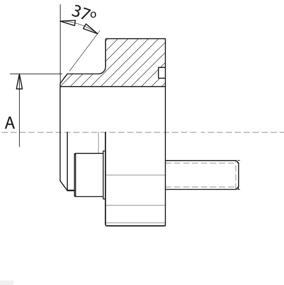
Teräksestä valmistettu ulkopuolisesti hitsattava SAE-kiintolaippa o-rengas uralla.
- SAE J 518 C ja ISO 6162-1 mukaisia
| Koodi | Koko (") | Laipalle ulko Ø (mm) | Reikäväli (mm) | Mitta A (mm) | Pakkauskoko (kpl) |
|---|---|---|---|---|---|
| AFSWO-102 | 1" | 44,4 | 26,19x52,37 | 34,0 | 1 |
| AFSWO-104 | 1 1/4" | 50,8 | 30,18x58,72 | 42,8 | 1 |
| AFSWO-108 | 2" | 71,4 | 42,86x77,77 | 61,0 | 1 |
| AFSWO-110 | 2 1/2" | 84,1 | 50,80x88,00 | 77,0 | 1 |
| AFSWO-112 | 3" | 101,6 | 61,93x106,38 | 92,0 | 1 |
| AFSWO-116 | 4" | 127,0 | 77,77x130,18 | 115,5 | 1 |
Liittyvät tuoteryhmät
AFSWO - 3000 PSI Hitsattava kiintolaippa
Takaisin