Takaisin
Paineventtiilit

KLVMT - Kuormanlaskuventtiili EPMT-moottorille

Tulosta esite
Tuoteryhmissä:

Korvattu toisella tuotteella

Tiedot tiivistettynä

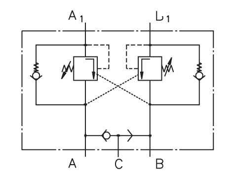
Kuormanlaskuventtiilit suoraan Metan EPMT tai Danfossin OMT-sarjan hydraulimoottoreihin. Kaksoisventtiili, jossa mahdollista säätää kumpikin linja erikseen.
  • virtaus max. 100l/min
  • paine max. 250bar
Koodi Malli (Meta) Moottoreille Pakkauskoko (kpl)
KLVMT-12 VAKT2 Meta EPMT/Danfoss OMT 1

KLVMT - Kuormanlaskuventtiili EPMT-moottorille

Tulosta esite

Takaisin