Tiedot tiivistettynä
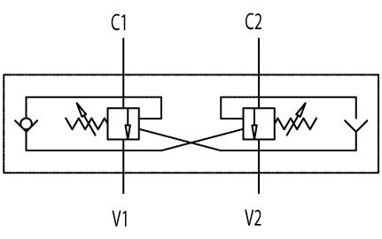
Kaksipuoleinen kuormanlaskuventtiili on vastapaineventtiili, jota voidaan käyttää esim. puomin paikalla pitämiseen ja pehmeään alaslaskuun. Toinen työkanava ei aukea ennen kuin toisen kanavan ohjauspaine nousee yli asetetun minimiarvon.
- paineenrajoituspatruunan säädetyn paineen tulee olla min. 1.3 kertainen suurimpaan kuormanpaineeseen nähden. Esim. 320bar asetuksella kuorman paine korkeintaan 245bar
- paineenrajoituspatruunan vakioasetus 320bar (max. 350bar)
- Oleodinamica Marchesini VBCD DE A
| Koodi | Sisäkierre (BSP) | Ohjaussuhde | Max työpaine (bar) | Max virtaus (l/min) | Valmistajan malli | Valmistajan koodi | Pakkauskoko (kpl) |
|---|---|---|---|---|---|---|---|
| KLV-04A | 1/4" | 1:4,5 | 350 | 20 | VBCD 1/4” DE/A | V0418 | 1 |
| KLV-06A | 3/8" | 1:4,5 | 350 | 40 | VBCD 3/8“ DE/A | V0422 | 1 |
| KLV-08A | 1/2" | 1:4,5 | 350 | 60 | VBCD 1/2” DE/A | V0432 | 1 |
| KLV-12A | 3/4" | 1:5,5 | 350 | 95 | VBCD 3/4” DE/A | V0435 | 1 |
| KLV-16A | 1" | 1:6,2 | 350 | 160 | VBCD 1” DE/A | V0436 | 1 |
KLV-A - Kuormanlaskuventtiili malli A
Takaisin