Paineenalennuspatruunat
AH-SP4P2 - Proportionaalinen paineenalennuspatruuna SAE10
Tulosta esite
Tuoteryhmissä:
Tiedot tiivistettynä
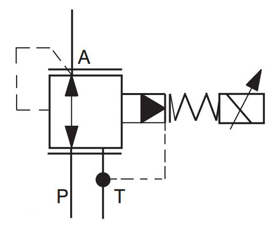
Esiohjattu proportionaalinen paineenalennuspatruuna SAE10, 7/8-14 UNF 3/2 venttiilirunkoon. Jopa 60l/min virtauksille.
- max. paine 350bar
- suurin virtaus 60l/min
- suunniteltu jatkuvaan paineensäätöön
- saatavana kolmella eri painealueella
- vakiona mukana 24VDC DIN-pistokkeellinen kela
- kelojen max. virrat 12VDV = 1A ja 24VDC = 0,6A
- käytetty kelan malli Argo Hytos C19B-P-12 tai C19B-P-24
| Koodi | Painealue | Kelan jännite (VDC) | Kelan tyyppi | Pakkauskoko (kpl) |
|---|---|---|---|---|
| AH-SP4P2-B3-H12-24E2 | 0-120 | 24VDC | EN 175301-803-A diodilla | 1 |
| AH-SP4P2-B3-H21-24E2 | 0-210 | 24VDC | EN 175301-803-A diodilla | 1 |
| AH-SP4P2-B3-H35-24E2 | 0-350 | 24VDC | EN 175301-803-A diodilla | 1 |
Liittyvät tuotteet
AH-SP4P2 - Proportionaalinen paineenalennuspatruuna SAE10
Takaisin