Tiedot tiivistettynä
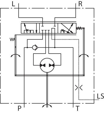
M+S HKU ohjainlaite suljetulla keskiasennolla kuormantunteviin LS-järjestelmiin. HKU-malli ilman shokkiventtiileitä.
Danfoss OSPB...LS vaihtokelpoisia
- Portit G1/2"
- LS-portti G1/4"
- Voidaan varustaa erillisellä prioriteettiventtiilillä
- Kuormaan reagoimaton versio. Maaston muodot eivät vaikuta renkaiden kulmaan kun rattiin ei kosketa
- Ratin suurin vääntömomentti kun P linjassa on pumpun tuottama virtaus
- Ratin suurin vääntömomentti ilman erillistä öljypumppua 120Nm
- Suurin jatkuva paine T-linjassa 25bar
- Closed Center - Non Reaction and Load Sensing Outlet
| Koodi | Kierrostilavuus (cm3/r) | Suositeltu virtaus (l/min) | Käyttöpaine (bar) | Pakkauskoko (kpl) |
|---|---|---|---|---|
| HKU-080/5T | 79,2 | 8 | 175 | 1 |
| HKU-100/5T | 99,0 | 10 | 175 | 1 |
| HKU-125/5T | 123,8 | 13 | 175 | 1 |
| HKU-160/5T | 158,4 | 16 | 175 | 1 |
| HKU-200/5T | 198 | 20 | 175 | 1 |
| HKU-320/5T | 316,8 | 32 | 175 | 1 |
| HKU-400/5T | 396 | 40 | 175 | 1 |
| HKU-500/5T | 495 | 50 | 175 | 1 |
| HKU-630/5T | 623,6 | 63 | 175 | 1 |
Liittyvät tuotteet
HKU - orbitroli LS-järjestelmiin
Takaisin