Takaisin
Lukkoventtiilit

FPD - Kaksoislukkoventtiili

Tulosta esite
Tuoteryhmissä:

Tiedot tiivistettynä

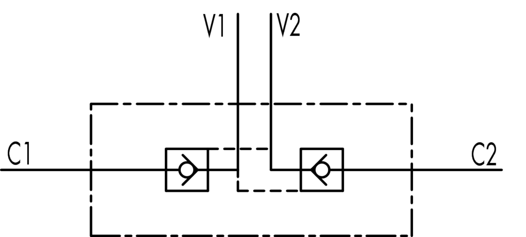
Ohjattu sulkuventtiili on suunniteltu lukitsemaan esim. sylinteri siten, ettei vuotoa synny kun ohjausventtiili on neutraalissa asennossa. Lukitusventtiilit toimivat varmistusventtiileinä päästäen virtauksen sylinteriin ja estäen takaisinvirtauksen siihen saakka, kunnes ohjauspainetta saadaan piirin vapauttamiseksi.

  • V1 ja V2 kytketään painelinjoihin
  • C1 ja C2 kytketään toimilaitteelle meneviin linjoihin
  • L-mallit 1/4"-1/2" (ks. tekniset tiedot)
Koodi Kierre (BSP) Max työpaine (bar) Max virtaus (l/min) Pakkauskoko (kpl)
FPD-04 1/4" 350 20 1
FPD-06 3/8" 350 35 1
FPD-08 1/2" 350 50 1
FPD-12 3/4" 300 100 1
FPD-08-18 1/2'' / Dkol 18 350 50 1

FPD - Kaksoislukkoventtiili

Tulosta esite

Takaisin