Takaisin
Haponkestävät liittimet

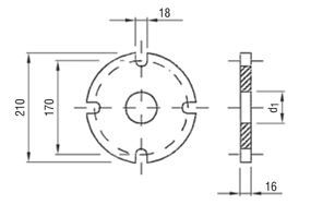
SSMARPOL - Marpol DIN86282 laippa HST

Tulosta esite
Tuoteryhmissä:

Tiedot tiivistettynä

Kansainvälinen laivateollisuuden laippaliitin Marpol DIN86282.
  • Materiaali AISI316L
Koodi Sisä Ø (mm) Ulko Ø (mm) Paksuus (mm) Pultin reiät Pakkauskoko (kpl)
SSMARPOL-3-100 90,3 210 16 4 x M16 1
SSMARPOL-4-100 115,9 210 16 4 x M16 1

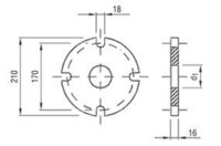
SSMARPOL - Marpol DIN86282 laippa HST

Tulosta esite

Takaisin