Takaisin
Apuventtiilit

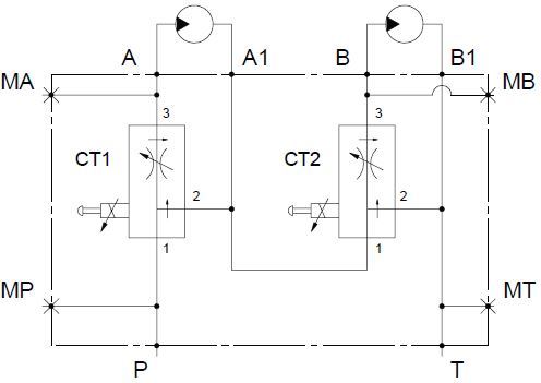
SH2600 - Hiekoitinbloki

Tulosta esite

Tiedot tiivistettynä

Hiekoitinblokissa 2kpl proportionaalisia virtauksensäätöventtiileitä moottoreiden portaattomaan ohjaukseen. Sopivalla ohjauksella voidaan toteuttaa esim. nopeuden mukaan säätyvä hiekoituksen säätö.
  • Suurin tulovirtaus 80l/min
  • Suurin säädetty virtaus 50l/min
  • Suurin käyttöpaine 210bar
  • Mukana 12VDC kelat
  • 24V 36W kelat PWM-ohjattuja, 120hz
  • Työportit 1/2", mittausportit 1/4"
  • Patruunat varustettu
  • Alumiinirunko mustaksi anodisoitu korroosiota vastaan, rungon mitat 109x90x109mm (leveys x syvyys x korkeus)
Koodi Pakkauskoko (kpl)
SH2600 1

SH2600 - Hiekoitinbloki

Tulosta esite

Takaisin