Takaisin
Apuventtiilit

KLV - Kuormanlaskuventtiili

Tulosta esite
Tuoteryhmissä:

Tiedot tiivistettynä

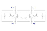
Kaksipuoleinen kuormanlaskuventtiili on vastapaineventtiili, jota voidaan käyttää esim. puomin paikalla pitämiseen ja pehmeään alaslaskuun. Toinen työkanava ei aukea ennen kuin toisen kanavan ohjauspaine nousee yli asetetun minimiarvon.

  • V1 ja V2 kytketään painelinjoihin
  • C1 ja C2 kytketään toimilaitteelle meneviin linjoihin
  • max kuorman paine 245bar
  • vakio säätö jousella 320bar
  • säätö 80bar/kierros
  • Venttiilin paine asetuksen on oltava vähintään 1,3 kertaa suurempi kuin kuormituspaine, jotta venttiili voi sulkeutua jopa silloin, kun kuormituspaine on suurin
  • Oleodinamica marchesini VBCD DE
Koodi Sisäkierre (BSP) Ohjaussuhde Max työpaine (bar) Max virtaus (l/min) Valmistajan malli Valmistajan koodi Pakkauskoko (kpl)
KLV-06 3/8" 1:3,1 350 35 VBCD ⅜” DE V0420 1
KLV-08 1/2" 1:3,1 350 50 VBCD ½” DE V0430 1
KLV-12 3/4" 1:5,5 350 105 VBCD ¾” DE V0431 1

KLV - Kuormanlaskuventtiili

Tulosta esite

Takaisin