Back

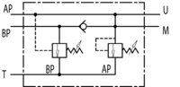
Two pump "hi-low" unloading valve - VABP

Print brochure
In product groups:

Tiedot tiivistettynä

Koodi Sisäkierteet (BSP) Max työpaine (bar) Max virtaus AP (l/min) Max virtaus BP (l/min) Max virtaus T (l/min) Pakkauskoko (kpl)
VABP-06 3/8" 350 15 30 40 1
VABP-08 1/2" 350 25 45 65 1
VABP-12 3/4" 350 30 80 100 1

Two pump "hi-low" unloading valve - VABP

Print brochure

Back