Back
Auxiliary valves

Kaksoispaineenrajoittimet säiliöliitännällä

Print brochure
In product groups:

Tiedot tiivistettynä

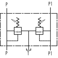
Teräsrunkoinen kaksoispaineenrajoitusventtiili / shokkiventtiili.

Koodi Sisäkierteet (BSP) Max virtaus (l/min) Vakio säätöalue (bar) Tehdasasetus (bar) Pakkauskoko (kpl)
VLP-06-250 3/8" 45 50-250 130 1
VLP-06-300 3/8" 45 80-300 150 1
VLP-08-250 1/2" 70 50-250 130 1
VLP-08-300 1/2" 70 80-300 150 1

Kaksoispaineenrajoittimet säiliöliitännällä

Print brochure

Back