Tiedot tiivistettynä
| Koodi | Sisäkierre (BSP) | Max työpaine (bar) | Max virtaus (l/min) | Pakkauskoko (kpl) |
|---|---|---|---|---|
| FPDS-06 | 3/8" | 350 | 30 | 1 |
| FPDS-08 | 1/2" | 350 | 55 | 1 |
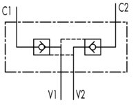
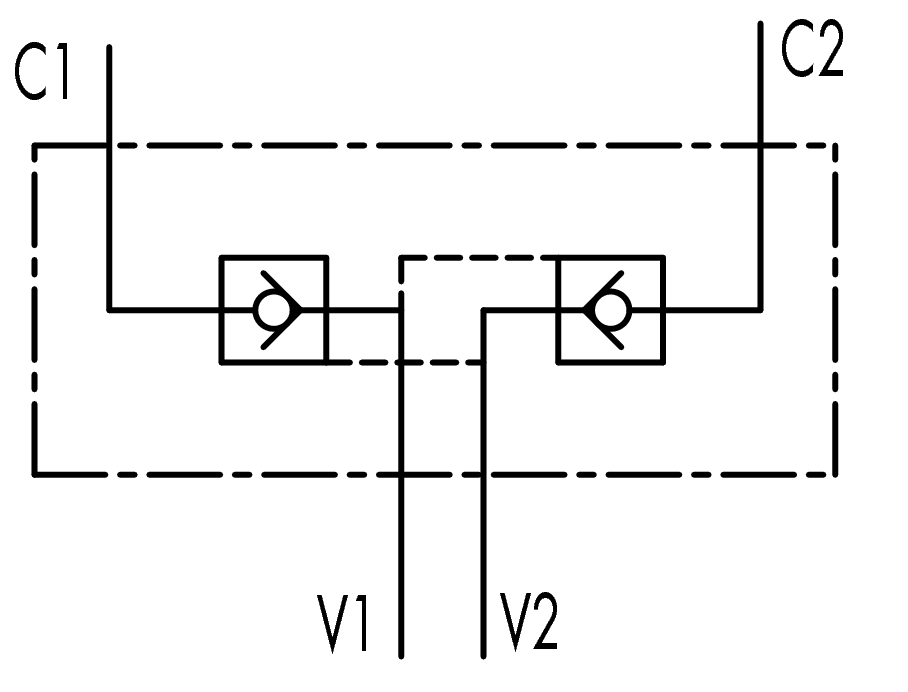
Douple pilot operated check valve - VBPDE A
Back
| Koodi | Sisäkierre (BSP) | Max työpaine (bar) | Max virtaus (l/min) | Pakkauskoko (kpl) |
|---|---|---|---|---|
| FPDS-06 | 3/8" | 350 | 30 | 1 |
| FPDS-08 | 1/2" | 350 | 55 | 1 |