Tiedot tiivistettynä
| Koodi | Sisäkierre (") | Max. paine (bar) | Pilottipaine Bar | Virtaus (l/min) | Pakkauskoko (kpl) |
|---|---|---|---|---|---|
| PPV-HV | ¼” | 420 | 2-25 | 30 | 1 |
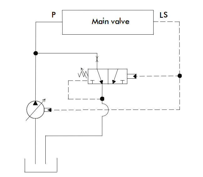
LS-Pumpun huuhteluventtiili PPV-HV
Takaisin
| Koodi | Sisäkierre (") | Max. paine (bar) | Pilottipaine Bar | Virtaus (l/min) | Pakkauskoko (kpl) |
|---|---|---|---|---|---|
| PPV-HV | ¼” | 420 | 2-25 | 30 | 1 |